联力Lianli SX1200P白金电源评测
评价总结Conclusion 规格外观Spec&exterior 拆解Teardown 跑分Tests
测试 Tests
本篇测试基于极电魔方FCPOWERUP电源测试标准『我是怎么测试电源的』v2.0,详细的测试项目介绍可点击左边文章超链接查看,下文将不再详细阐述每个测试项目的测试方法及测试意义。
4-1. 电压稳定性 Load Regulation
12V电压负载调整率0.41%
5V电压负载调整率0.74%
3.3V电压负载调整率1.27%
4-2. 效率 Efficiency
电源开机空载,电源消耗功率5.07W。
230V,30W~100W的平均效率为79.36%,100W-满载平均效率92.25%,峰值效率93.16%@650W,91.67%@满载。
115V,输出2%功率24.31W时效率为 64.853%,高于Intel的60%要求。
FCP 90Plus效率验证测试,满足白金线要求。
4-3. 风扇转速、噪音测试、温度 Fan Speed, Noise, Temperature
4-3-1. 风扇转速 Fan Speed
测试环境温度是25.2~26.2℃。
4-3-2. 噪音分析 Noise Analysis
噪音测试时的背景底噪为25.0dBA,测量麦克风距离电源进风口10cm。400W输出时风扇仍未开始工作,600W输出风扇开始工作时测得声压值为37dBA,此时风扇转速约770RPM,1200W满载输出,风扇转速约1490RPM,此时的噪音声压值约53.4dBA。电源整体噪音属于中上水准,在后半段大于1000W输出阶段,风扇转速会明显提高,也带来明显的风噪。
4-3-3. 满载温度 Temperature
测试为满载1小时之后拍下热成像图。室温25℃。
联力SX1200P的整体平均温度控制在43.7℃左右,发热主要集中在LLC MOS、主变压器、谐振电感到12V同步整流电路区域。
其中:
框2 整流部分散热片,平均约49.2℃;
框3 PFC级散热片区域,平均约42.6℃;
框4 主电容区域,平均46.4℃;
框5 全桥LLC谐振电路,包括LLC开关管、谐振电感、主变压器、12VSR同步整流区域,平均62.3℃左右;
框6 DC-DC子卡,平均约40.3℃。
4-4. 5Vsb待机 5V Standby
Intel ATX12V v2.4规范中对5Vsb的要求为:待机空载消耗小于1W,在0.1A、0.25A、1A的负载下转换效率应该高于50%、60%、70%。欧洲ErP Lot 6 2013节能规范要求45mA下效率必须高于45%。
实测联力SX1200P的5Vsb待机效率能符合欧洲Erp Lot6 2013标准。
5Vsb电压:
4-5. 交叉负载 Cross-Load Test
交叉负载我们使用旧版本的严格的标准,电压偏离必须在Intel ATX12V规范规定的±5%的范围内,越接近0%越好。
测试结果:
联力SX1200P的交叉负载电压曲线,电压曲线越平缓代表电源电压稳定性越好:
4-6. 纹波 Ripple
实测联力SX1200P的满载12V和3.3V纹波较好,5V属于中上水准。
示波器截图
通道1、2、3、4(黄色、青色、洋红、绿色)从上往下依次是12V、5V、3.3V和5Vsb的纹波。
有读者是HiFi PC玩家,所以我们也提供电源轻载时的纹波示波器截图:
2%-24.31W
30W
50W
100W
200W
300W
400W
电源1200W满载,分别为电源的低频、高频纹波截图:
超载到1450W/120%
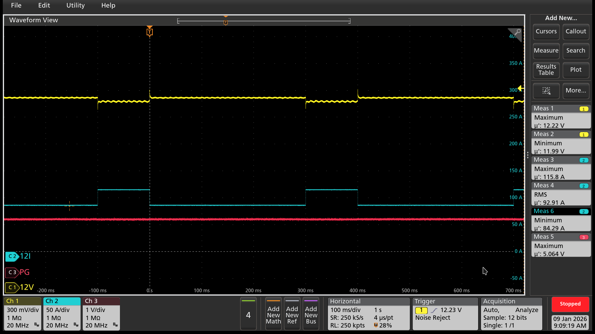
4-7. 开机时序、掉电保持时间 Rise Time, Hold-Up Time
4-7-1. 开机时序 Rise Time
联力SX1200P开机电压平稳,没有异常、过冲。T1、T2、T3实测符合Intel ATX12V 3.0关于ALPM的要求。
4-7-2. 掉电保持时间 Hold-Up Time
的保持时间测试结果如下表,ATX 3.0、ATX3.1标准的要求都能满足。
示波器截图及对比:
从上往下的示波器截图依次为12V、5V及PWR_OK的掉电保持时间截图。
4-8. Intel动态测试 Intel Dynamic Test
本次动态测试我们改用Intel标准,即约0%~70%跳变和30%~100%跳变两种,电流摆率5A/μs,频率50Hz和10kHz,不过我们列出来的以有代表性的50Hz为主。Intel对此项测试并没有要求电压恢复时间,只要求电压不能超过范围,±600mV,但是电压恢复时间我们会作为一个评分点。
@50Hz,0%-70% 负载上升
Tr1:约2mS。Vpk1:-448mV;
@50Hz,0%-70% 负载下降
Tr2:约6.1mS,Vpk2:200mV;
@50Hz,30%-100% 负载上升
Tr3:约1.88mS。Vpk3:-228mV;
@50Hz,30%-100% 负载下降
Tr4:约1.96mS。Vpk4:196mV;
4-9. 保护功能评价 Protection Features Evaluation
的保护功能测试结果如下。
5V OCP测试示波器截图
3.3V OCP测试示波器截图
浪涌电流测试示波器截图,实测最大264VAC 90℃开机,电源正常开机无故障。
4-10.电流谐波测试Current Harmonic Test
测量IEC 61000-3-2 Class A和Class D两档,不超出限制的电流上限即可通过。
Class A,通过测试。
Class D,通过测试。
5. FCP显卡兼容性 FCP Gaming Ready
5-1. ATX 3.0性能
按Intel PSDG 2.1a / ATX 3.1设计指南,1200W的电源的12V-2×6接口为600W档的配置,测试下来5个档位的电压都能落在ATX3.0/PCIe 5.0要求的范围内,电源测试结果如下。
示波器截图,可点击放大:
超载200%,5%占空比
超载180%,8%占空比
超载160%,12.5%占空比
超载120%,25%占空比
12V-2×6接口3倍超载,5%占空比
5-2. 12V-2×6接口供电挡位兼容性情况
本次测试我们使用显卡上机实测。
| 配置 | 型号 |
|---|---|
| 处理器 / CPU | AMD Ryzen R7 9800X3D |
| 主板 / MB | MSI MPG X670E CARBON WIFI |
| 内存 / RAM | Hynix DDR5-4800 16Gx2 |
| 固态硬盘 / SSD | 致态 TiPlus7100 1T |
| 显卡 / Graphics Card | NVIDIA RTX5090 |
| 散热器 / Cooler | 库里奥倚天P60T性能版V2 |
| 显示器 / Monitor | AOC 27 4K |
| 示波器 / Oscilloscope | Tektronix MDO3014、MSO44 |
| 电流探头 / Current Probe | TCP0150 + TCP0030A |
| 操作系统 / OS | Win11 Pro 64bit 23H2 |
| 测试软件 / Benchmark | Furmark 1.39.0 |
| MSI Afterburner | |
| GPU-Z 2.69.0 | |
通过上机实测运行Furmark对显卡进行满载,同时打开GPU-Z查看显卡传感器的功率读数,从16-Pin Power这一项可以看到显卡的输入功率接近600W,可以判定联力SX1200P的12V-2×6接口搭配RTX5090显卡可以运行在600W档的,12V-2×6接口档位兼容性方面没有问题。同时,我们也对CPU+GPU进行压力测试,也就是所谓的双拷,电脑在近一小时的拷机中稳定运行,没有出现任何异常。
GPU-Z截图
5-3. 12V-2×6线材满载发热情况
使用电子负载将12V-2×6接口拉满600W一个小时,使用热成像仪拍下热成像图。
室温在25℃左右。
我们主要验证线材的发热情况,电源背板插座处温度最高约35℃,线身最高在35左右℃,远端治具板上的12V-2×6插头在42.3℃。常见的PVC线材适用温度可以到80℃,判定这组12V-2×6线材跑600W的工作温度正常。我们使用热成像观察线材发热,同时也使用了钳表对线材的电流进行测试,也没有出现电流偏置的情况,判定联力SX1200P的12V-2×6的线材接触可靠,带600W满载没有问题。
线材热成像图
全文完。
下面是评论区。


















































主电容现在从送测的420v都缩成400v了
@A7: 我们测试这颗是京东买的。400V多少容量?
@fcpowerup: 年后买的,看生产日期是年初,400V 1000uF MXT
@ec_: 我测试这颗是去年11月买的,我测过PFC电容的电压,满载开机、动态都测过,问题不大,都在400V以内,后面我们发视频会增加这部分。联力方面的说法是备料备了更高的,其实成本差不多的,你可以选退货,或者换货,或者补钱。
@fcpowerup: 只有换成420v 的mxt才算升级,所以就不换了,哈哈。我倒是没这么教条,毕竟这个电源的原版爱国者ev就是400v的